重庆市万州区人民政府办公室关于 印发《重庆市万州区地质灾害应急预案》的通知
重庆市万州区人民政府办公室关于
印发《重庆市万州区地质灾害应急预案》的通知
万州府办发〔2026〕5号
各镇乡(民族乡)人民政府,各街道办事处,区政府各部门,有关单位:
《重庆市万州区地质灾害应急预案》已经区政府同意,现印发给你们,请认真贯彻执行。
重庆市万州区人民政府办公室
2026年2月12日
(此件公开发布)
重庆市万州区地质灾害应急预案
1总则............................................5
1.1编制目的.........................................5
1.2编制依据.........................................5
1.3工作原则.........................................5
1.4适用范围........................................6
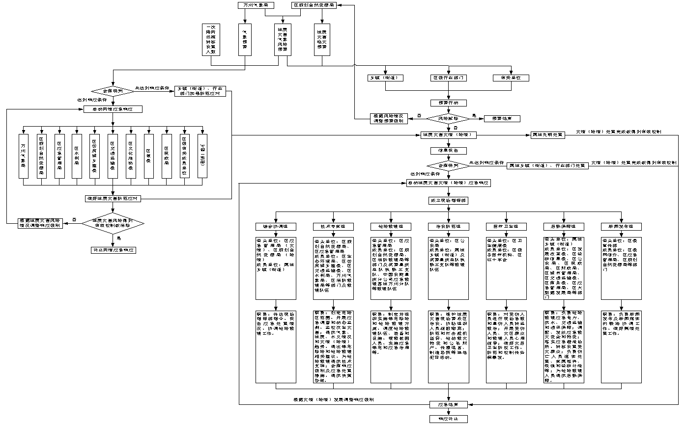
2应急组织机构及职责.....................................7
2.1区级指挥机构及职责....................................7
2.2现场指挥机构及职责....................................8
2.3乡镇(街道)职责.....................................9
3预警预报..........................................9
3.1预警预报分级.......................................9
3.2预警信息发布......................................10
3.3预警行动........................................10
3.4预警级别调整和终止...................................10
4信息报送.........................................10
4.1报送流程及时限.....................................10
4.2报送内容........................................12
5应急响应.........................................12
5.1属地先期处置......................................12
5.2分级响应........................................13
5.3应急处置措施......................................31
5.4应急响应调整及终止...................................32
6后期处置和新闻报道....................................32
6.1后期处置........................................33
6.2社会救助........................................33
6.3保险理赔........................................33
6.4调查评估........................................33
6.5新闻发布........................................34
7保障措施.........................................34
7.1信息与通信保障.....................................34
7.2应急救援队伍保障....................................34
7.3应急救援装备和物资保障.................................35
7.4资金保障........................................36
7.5制度保障........................................36
8预案管理.........................................36
8.1预案修订........................................36
8.2预案宣传、培训和演练..................................36
9附则...........................................37
9.1名词解释.....................................37
9.2预案解释.....................................37
9.3预案颁布实施..................................37
附件1重点成员单位主要职责及值班电话.................38
附件2现场指挥部工作组及职责........................42
附件3地质灾害气象风险预警分级及行动措施..............44
附件4地质灾害临灾预警分级及行动措施.................46
附件5地质灾害险情分级表...........................47
附件6地质灾害灾情分级表...........................48
附件7万州区地质灾害风险性评价图.....................49
附件8万州区地质灾害雨情应急响应措施.................50
附件9万州区地质灾害险情(单点)应急响应措施...........54
1总则
1.1编制目的
科学规范、协调有序、快速高效开展地质灾害防范应对工作,避免或减轻地质灾害造成的损失,保障人民群众生命财产安全,维护社会和谐稳定,为我区经济社会全面、协调、可持续发展提供保障。
1.2编制依据
依据《中华人民共和国突发事件应对法》《地质灾害防治条例》《重庆市突发事件应对条例》《重庆市地质灾害防治条例》等法律法规,根据《重庆市突发事件应急预案管理实施办法》《重庆市地质灾害应急预案》《重庆市万州区突发事件总体应急预案》《重庆市万州区安全生产委员会 重庆市万州区防灾减灾救灾委员会关于调整重庆市万州区安全生产委员会和重庆市万州区防灾减灾救灾委员会组成机构及人员的通知》(万州安委会〔2025〕4号)、《重庆市万州区安全生产委员会办公室 重庆市万州区防灾减灾救灾委员会办公室关于印发〈重庆市万州区安全生产委员会工作规则〉〈重庆市万州区防灾减灾救灾委员会工作规则〉的通知》(万州安委办〔2025〕90号)等有关规定,结合我区地质灾害实际情况,制定本预案。
1.3工作原则
人民至上,生命至上。坚持以人民为中心的发展思想,把保障人民群众生命安全放在首位。切实加强地质灾害应急处置救援工作,最大限度避免和减轻地质灾害造成的人员伤亡与财产损失。
预防为主,科学救援。坚持以防为主、防抗救相结合,坚持常态减灾与非常态救灾相统一,发挥现代科技和专业的支撑作用,依托消防救援、专业救援、军民联动、社会志愿群体等多种力量,有效预防和科学应对地质灾害。
统一领导,部门联动。在区委、区政府统一领导下,有关行业主管部门按照“谁主管、谁负责”的原则,进一步落实防灾减灾救灾工作机制,做好本行业地质灾害防范应对工作。部门间加强沟通协调,社会共同参与,实现联动互通,努力构建全社会共同防灾格局。
属地管理,分级响应。突发地质灾害灾情(险情)发生后,按照“属地管理、分级响应”的原则,由属地乡镇(街道)首先作出应急响应,根据灾情(险情)等级,区政府及区级有关部门采取相应处置措施。发生重特大地质灾害灾情(险情)及时向市级相关部门、市抗震救灾和地质灾害防治救援指挥部(以下简称市地指)和市政府报告。
1.4适用范围
本预案适用于发生在万州区行政辖区内,因自然因素或者人为活动引发的危害人民群众生命和财产安全的山体崩塌、滑坡、泥石流、地面塌陷、地裂缝、地面沉降等地质灾害灾情(险情)的应对处置工作。
2应急组织机构及职责
2.1区级指挥机构及职责
2.1.1区地质灾害防治救援指挥机构
区抗震救灾和地质灾害防治救援指挥部(以下简称区地指)为区防灾减灾救灾委员会(以下简称区防减救灾委)下设的专项指挥部,在区委、区政府统一领导下,与区防减救灾委一体统筹运转,负责地震地质灾害专项统筹和灾害过程应对组织工作。区地指指挥长(主抓地质灾害相关工作)由区政府分管地质灾害防治工作的副区长担任,副指挥长由区政府办公室联系副主任、区应急管理局局长、区规划自然资源局局长担任。重点成员单位由区人武部、区委宣传部、区委社会工作部、区委网信办、区发展改革委、区教委、区科技局、区经济信息委、区公安局、区民政局、区财政局、区规划自然资源局、区生态环境局、区住房城乡建委、区城市管理局、区交通运输委、区水利局、区农业农村委、区商务委、区文化旅游委、区卫生健康委、区应急管理局、区国资委、区大数据发展局、武警重庆总队执勤三支队、武警重庆总队船艇支队三大队、万州海关、万州金融监管分局、万州海事处、万州气象局、区消防救援局、国网万州供电公司、三峡水利万州公司、中国安能重庆分公司应急救援基地万州分队组成。根据工作需要,可增加区级有关部门、有关单位加入。
必要时,由区防减救灾委统一领导、指挥和协调全区地质灾害的防治救援工作,并接受国务院地质灾害防治和救援指挥机构、市地指的指挥调度。
区地指办公室(以下简称区地指办)设在区应急管理局,负责区地指日常工作,办公室主任由区应急管理局、区规划自然资源局分管负责人兼任。
2.1.2区地质灾害防治救援指挥机构职责
统筹全区地质灾害防治救援工作。建立健全全区地质灾害防治救援工作体系和运转机制,研究、审议全区地质灾害防治救援工作的重大政策和措施并组织实施,协调各乡镇(街道)、各成员单位地质灾害防治救援工作重大事项;组织编制并实施全区地质灾害应急预案;负责启动、调整和终止区级地质灾害应急响应,指导各乡镇(街道)启动、调整和终止地质灾害应急响应;部署和组织有关部门、单位及受灾乡镇(街道)开展紧急救援救助;组织开展地质灾害防治救援工作专项指导;组织开展地质灾害调查评估;完成上级交办的其他工作任务。
(2)重点成员单位主要职责
详见附件1。
2.2现场指挥机构及职责
2.2.1现场指挥部
当发生重要地质灾害灾情(险情)时,区地指根据实际情况,在受灾地区组建由区应急管理局或区规划自然资源局牵头的灾情或险情现场指挥部,现场指挥部指挥长由区防减救灾委或区地指指定。
在现场指挥部未成立前,相关责任主体按照“谁先到达谁指挥,逐步移交指挥权”的原则,统一指挥调度现场应急处置工作。
现场指挥部统一指挥和组织实施现场应急处置工作,主要承担制定和组织实施地质灾害应急救援处置方案,指挥调度应急救援力量开展应急救援,及时收集、汇总并向区地指报告事件发展态势及救援情况,落实区地指交办的其他事项等工作。
2.2.2现场工作组
现场指挥部下设7个工作组,可根据实际情况进行调整,各个工作组主要职责详见附件2。
2.3乡镇(街道)职责
各镇乡(民族乡)人民政府、各街道办事处负责本行政区域的地质灾害防治救援工作;做好地质灾害灾情(险情)应急处置及信息收集报告;动员和组织受地质灾害威胁人员转移避险;参与区级现场指挥部的应急抢险救援行动;组织灾后恢复重建;贯彻落实区地指指令。
3预警预报
地质灾害预警预报包括地质灾害气象风险预警预报和地质灾害临灾预警预报。
3.1预警预报分级
地质灾害气象风险预警和地质灾害临灾预警级别由低到高均划分为4个级别,分别由蓝色、黄色、橙色、红色标示(详见附件3、4)。
3.2预警信息发布
地质灾害气象风险预警预报由区规划自然资源局和万州气象局联合发布,并抄送区地指办。主要内容包括预警级别、预警时限、风险范围、提示事项、防御应对措施建议等。
地质灾害临灾预警预报由区规划自然资源局发布,其中大型及以上地质灾害临灾预警预报由区规划自然资源局根据监测结果报市规划自然资源局批准后发布。主要内容包括地质灾害可能发生的时间、地点、成灾范围和影响程度等。
3.3预警行动
地质灾害气象风险预警预报发布后,有关乡镇(街道)、部门、单位根据预警预报级别,立即进入预警状态,按照职责分工做好有关应对工作,必要时启动相应级别的应急响应(详见附件3)。
地质灾害临灾预警预报由区规划自然资源局牵头,根据地质灾害风险大小、临时撤离转移受威胁群众人数和潜在经济损失情况,按相应级别的地质灾害险情予以应对(详见附件4)。
3.4预警级别调整和终止
根据气象条件以及实时雨情、水情、灾情(险情)监测情况,可动态调整预警级别,逐步升级或降级。超出地质灾害预警时限未再发布新的预警信息的,视为预警终止。
4信息报送
4.1报送流程及时限
突发地质灾害灾情(险情)发生后,获悉情况的公民、法人或其他组织应立即向事发地乡镇(街道)、区应急管理局(值班电话:58255666)、区规划自然资源局(值班电话:58114080)或有关行业主管部门报告。各乡镇(街道)、各有关部门接报后应按照规定及时、准确、规范向区政府、区地指办报告地质灾害灾情(险情),30分钟内电话报告,1小时内书面报告。区地指办接报后按照规定向区政府和市地指办报告;并根据地质灾害发展变化以及应急救援工作进展情况,做好有关情况的续报和终报工作(详见图4.1)。
规划自然资源、应急管理及有关行业主管部门间应建立地质灾害信息共享和情况通报机制。

图4.1 信息上报流程示意图
4.2报送内容
突发地质灾害灾情(险情)信息报送的主要内容包括:灾害发生的时间、地点、灾害类型、灾害规模、伤亡人数、经济损失、采取的措施、可能的引发因素和灾害发展趋势等。
雨情应急响应期内每日信息报送的主要内容包括:降雨量、转移安置人数、防范应对工作、发生灾情(险情)及应急处置情况等。
5应急响应
5.1属地先期处置
(1)发生地质灾害灾情(险情)后,群测群防员、地防员或发现灾情(险情)的相关人员,应立即向受地质灾害威胁对象通报灾情(险情),提醒受威胁群众紧急撤离,并向属地乡镇(街道)报告;
(2)属地乡镇(街道)接到灾情(险情)报告后,有关负责人立即赶赴现场,迅速收集了解灾情(险情)情况,组织力量设置警戒区域,组织险区群众撤离,采取其他防止危害扩大的必要措施;
(3)属地乡镇(街道)会同驻守地质工程师进一步核实成灾范围和危险区域,制定现场应急处置措施,落实受威胁群众转移安置、警戒线设置、现场管控、24小时监测值守等措施;
(4)属地乡镇(街道)加强灾情(险情)趋势研判,及时发布预警信息,在确保安全情况下,组织当地救援队伍、干部群众先行开展搜救等抢险救援工作;
(5)需要区级层面支援时,属地乡镇(街道)应及时向区地指办和有关行业部门报告。处置完毕后,及时将灾情(险情)和应急处置情况报告区地指办、有关行业部门。
5.2分级响应
地质灾害灾情(险情)分为特大型、大型、中型、小型,根据地质灾害灾情(险情)规模和危害对象,灾情(险情)应急响应级别分为一级、二级、三级、四级(详见附件5、6)。
区级层面地质灾害应急响应由高到低分为一级、二级、三级、四级,包括雨情、险情(单点)和灾情(单点)应急响应。在区委、区政府统一领导下,雨情应急响应由区地指统筹协调、督促指导受威胁地区做好地质灾害防范应对工作;险情(单点)应急响应由区规划自然资源局负责牵头处置;灾情(单点)应急响应由区应急管理局负责组织抢险救援。
5.2.1雨情分级响应
5.2.1.1雨情四级应急响应
启动条件:万州气象局发布暴雨黄色及以上预警信号,经区地指办组织会商研判发生地质灾害风险较高;或者区规划自然资源局和万州气象局联合发布的地质灾害气象风险橙色预警涉及的乡镇(街道)数量在10个以上不满30个;或者出现一次降雨过程导致全区受地质灾害威胁的转移安置人数在200人以上不满500人。
启动程序:区地指办主任(应急管理方面)组织气象、规划自然资源、应急管理等成员单位及有关乡镇(街道)会商研判,经区地指副指挥长(应急管理方面)批准,启动雨情四级应急响应。
雨情四级应急响应采取以下响应行动:
区地指:(1)区地指副指挥长(应急管理方面)视频调度降雨乡镇(街道),部署防范应对工作。(2)加强对高风险区地质灾害防范应对工作的指导检查,督促乡镇(街道)、有关部门、有关单位和有关责任人落实防灾责任。(3)向有关乡镇(街道)发出工作提示。(4)收集汇总全区地质灾害应对情况并及时上报。
万州气象局:严密监测天气变化情况,加强会商研判,及时发布气象预警预报。
区规划自然资源局:会同万州气象局密切关注天气变化情况,开展会商研判,实时发布地质灾害气象风险预警预报;划定重点防范区域,明确避险转移对象,提出具体防范措施;督促有关乡镇(街道)落实防范应对工作,抽查“四重”网格员、地防员在岗在位情况;密切关注地质灾害群测群防智能化监测点监测数据变化,加强巡查,提前预警预报;视情派出工作组赴重点乡镇(街道)开展指导。
区应急管理局:加强抢险救援队伍、装备、物资准备;通知受地质灾害影响的矿山、危化、工贸等企业做好防范应对工作。
区水利局:及时发布山洪预警和安全提示信息;通知预警区内山区在建水利工程建设单位和水利设施管护单位做好地质灾害防范应对工作,督促其加强地质灾害风险隐患排查巡查;做好山洪、泥石流等灾害协同应急抢险准备。
区住房城乡建委:通知预警区内山区在建房屋市政工程项目建设单位做好地质灾害防范应对工作,督促其加强对地质灾害风险隐患的排查巡查。
区交通运输委:通知相关单位做好铁路、公路、航道和港口周边地质灾害隐患的排查巡查;组织抢险队伍做好险情处置准备工作。
区文化旅游委:通知受地质灾害影响的景区管理单位做好防范应对工作,督促其加强对地质灾害风险隐患的排查巡查。
区教委:通知山区受地质灾害影响的学校做好防范应对工作;停止预警区内学校山区研学、实践等户外活动;督促其加强对地质灾害风险隐患的排查巡查。
区民政局:通知受地质灾害影响的养老服务机构、福利机构等做好防范应对工作,督促其加强对地质灾害风险隐患的排查巡查。
其他部门、有关单位加强对预警信息的关注,根据职能职责做好地质灾害巡查排查、抢险救援准备等工作。
属地乡镇(街道):安排并督促落实本辖区地质灾害防范应对工作;及时将预警信息叫应到户到人到企业;组织地灾专管员、群测群防员、地防员、村(社区)基层组织做好地质灾害风险隐患的巡查排查、监测预警等工作,落实防范措施;组织受威胁群众转移避险;做好抢险救援准备。
5.2.1.2雨情三级应急响应
启动条件:万州气象局发布暴雨橙色及以上预警信号,经区地指办组织会商研判发生地质灾害风险高;或者区规划自然资源局和万州气象局联合发布的地质灾害气象风险橙色预警涉及乡镇(街道)数量在30个以上或地质灾害气象风险红色预警涉及乡镇(街道)数量在1个以上不满10个;或者出现一次降雨过程导致全区受地质灾害威胁的转移安置人数在500人以上不满1000人。
启动程序:区地指副指挥长(应急管理方面)组织气象、规划自然资源、应急管理等成员单位及有关乡镇(街道)会商研判,经区地指指挥长批准,启动雨情三级应急响应。
在雨情四级应急响应措施的基础上,还应采取以下响应行动:
区地指:(1)区地指指挥长调度地质灾害高风险乡镇(街道),部署防范应对工作。(2)组织规划自然资源、应急管理等重点行业主管部门人员和专家组成工作组,赴重点乡镇(街道)督导地质灾害防范应对工作。
区规划自然资源局:加密地质灾害气象风险预警预报发布;派出指导组赴重点乡镇(街道)指导地质灾害防范工作;指导预警区内不稳定地质灾害隐患点受威胁群众以及高和极高风险区临坡、临崖、临水、临沟等区域(以下简称“四临”区域)可能受地质灾害威胁群众的避险转移工作。
区应急管理局:指导预警区内高和极高风险区存在较大地质灾害风险的采矿单位野外作业人员和工作人员的避险转移工作;视情前置救援力量和物资装备,做好抢险救援准备。
区水利局:指导预警区内高和极高风险区存在较大地质灾害风险的水利等工程建设单位暂停建设作业,并做好野外作业人员和工作人员的避险转移工作;指导受山洪、泥石流等灾害威胁人员的避险转移工作。
区住房城乡建委:指导预警区内高和极高风险区存在较大地质灾害风险的在建房屋市政工程暂停建设作业,做好作业人员和工作人员的避险转移工作。
区交通运输委:指导客运企业做好山区公路安全运营工作,必要时在预警区内采取停运等临时性措施。
区文化旅游委:指导协调景区管理单位关闭预警区内涉及地质灾害隐患的旅游景区;视情暂停预警区内山区户外大型文旅活动;配合有关部门做好对普通涉山涉水类景区地质灾害风险隐患的排查巡查工作。
区教委:指导预警区内山区受地质灾害隐患影响的学校视情停课停学。
区民政局:指导预警区内受地质灾害影响的养老服务机构、福利机构等加强安全防范措施,视情开展人员避险转移工作。
其他部门、有关单位加强对预警信息的关注,指导预警区内高和极高风险区存在较大地质灾害风险的本行业野外作业人员和工作人员的避险转移工作。
属地乡镇(街道):派出干部进驻村(社区)、组指导开展地质灾害防范应对工作;组织地灾专管员、群测群防员、地防员、村(社区)基层组织加密巡查防控;组织不稳定地灾隐患点、高和极高风险区“四临”区域可能受威胁群众转移避险;视情启动熔断机制,适时采取交通管制、关闭景区等临时性措施;视情前置救援力量和物资,做好抢险救援准备。
5.2.1.3雨情二级应急响应
启动条件:万州气象局发布暴雨红色预警信号,经区地指办组织会商研判发生地质灾害风险很高;或者区规划自然资源局和万州气象局联合发布的地质灾害气象风险红色预警涉及乡镇(街道)数量在10个以上不满30个;或者出现一次降雨过程导致全区受地质灾害威胁的转移安置人数在1000人以上不满2000人。
启动程序:区地指指挥长组织气象、规划自然资源、应急管理等成员单位及有关乡镇(街道)会商研判,经区防减救灾委常务副主任批准,启动雨情二级应急响应。
在雨情三级应急响应措施的基础上,还应采取以下响应行动:
区地指:(1)区防减救灾委常务副主任调度灾害高风险乡镇(街道),部署防范应对工作。(2)视情调派区级应急救援队伍、装备、物资等应急资源提前驻防重点乡镇(街道),强化抢险救援准备。(3)视情组织气象、规划自然资源、应急管理等重点部门集中办公。
区规划自然资源局:指导预警区内基本稳定地质灾害隐患点受威胁群众,高和极高风险区可能受地质灾害威胁群众,以及“四临”区域可能受地质灾害威胁群众的避险转移工作。
区应急管理局:暂停预警区内采矿等野外作业,并及时对有关工作人员开展避险转移工作;调派区级救援力量、物资装备前置高风险乡镇(街道)驻防。
区水利局:暂停预警区内所有水利工程建设作业,指导做好水利工程建设等野外作业人员和工作人员的避险转移工作。
区住房城乡建委:暂停预警区内所有在建房屋市政工程建设作业,指导做好在建房屋市政工程作业人员和工作人员的避险转移工作。
区交通运输委:合理安排山区交通运力保障,停运预警区内山区危险客运线路;对国省县道重点路段实施巡查封控。
区文化旅游委:督促景区管理单位关闭预警区内所有旅游景区;暂停预警区内山区户外大型文旅活动。
区教委:指导预警区内山区受地质灾害隐患影响的学校停课停学。
区民政局:指导预警区内受地质灾害影响的养老服务机构、福利机构等开展人员避险转移工作。
其他部门、有关单位加强对预警信息的关注,指导做好预警区内主管的所有野外作业人员和工作人员的避险转移工作。
属地乡镇(街道):进一步强化辖区地质灾害风险隐患巡查排查、监测预警等防范应对工作;组织基本稳定地灾隐患点、高和极高风险区、“四临”区域可能受地质灾害威胁群众转移避险;对高风险区域采取交通管制、关闭景区等熔断机制;调集乡镇(街道)应急救援队伍、装备、物资等应急资源提前驻防,做好抢险救援准备。
5.2.1.4雨情一级应急响应
启动条件:区规划自然资源局和万州气象局联合发布的地质灾害气象风险红色预警涉及的乡镇(街道)数量在30个以上,或者出现一次降雨过程导致全区受地质灾害威胁的转移安置人数在2000人以上。
启动程序:区防减救灾委常务副主任组织气象、规划自然资源、应急管理等成员单位及有关乡镇(街道)会商研判,经区防减救灾委主任批准,启动雨情一级应急响应。
在雨情二级应急响应措施的基础上,还应采取以下响应行动:
区地指:(1)区防减救灾委主任视频调度灾害高风险乡镇(街道),部署防范应对工作。必要时,提请区委主要负责人部署防范应对工作。(2)组织由包片区领导带队,规划自然资源、应急管理等重点行业主管部门组成的工作组,赴重点乡镇(街道)督导地质灾害防范应对工作。(3)调派区级应急救援队伍、装备、物资等应急资源提前驻防重点乡镇(街道),强化抢险救援准备。(4)组织气象、规划自然资源、应急管理等重点部门集中办公。
有关成员单位和属地乡镇(街道)要密切关注气象预警信息,加密会商研判,组织、指导危险区域人员提前做好避险转移工作,及时启动熔断机制,对重点部位进行管控封闭。
5.2.2险情(单点)分级响应
5.2.2.1险情(单点)四级应急响应
启动条件:受灾害威胁需搬迁转移人数在50人以上不满100人,或者可能造成的经济损失在300万元以上不满500万元。
启动程序:区地指办主任(规划自然资源方面)组织规划自然资源、应急管理、气象等成员单位及有关乡镇(街道)会商研判,经区地指副指挥长(规划自然资源方面)批准,启动险情(单点)四级应急响应。
险情(单点)四级应急响应采取以下响应行动:
区地指:(1)组织规划自然资源、应急管理及有关行业部门赶赴现场开展应急处置工作;视情成立险情应对现场指挥部及工作组,由区地指副指挥长(规划自然资源方面)任现场指挥部指挥长,组织指挥险情应急处置工作。(2)收集汇总险情处置情况并及时向区政府和市地指报告。
区规划自然资源局:派遣专业技术人员赶赴现场开展应急调查与风险监测,划定危险区域范围,指导设置警戒,提出应急处置建议措施,为险情处置提供技术支撑;负责组织、协调、指导地质灾害险情的排危除险、应急治理等工作。
区应急管理局:派遣工作人员赶赴现场配合开展险情处置、受威胁群众转移安置等工作;通知相关抢险救援队伍备勤,准备好抢险救援物资装备。
有关成员单位:组织实施本行业领域地质灾害险情的排危除险、应急治理等工作,根据职能职责和现场指挥部要求,做好应急处置相关工作。
事发地乡镇(街道):及时上报险情信息;开展危险区域警戒、值守、管控;组织危险区域内群众撤离;做好转移人员安置和生活保障;会同相关行业部门开展排危除险、应急治理等工作。
5.2.2.2险情(单点)三级应急响应
启动条件:受灾害威胁需搬迁转移人数在100人以上不满500人,或者可能造成的经济损失在500万元以上不满5000万元。
启动程序:区地指副指挥长(规划自然资源方面)组织规划自然资源、应急管理、气象等成员单位及有关乡镇(街道)会商研判,经区地指指挥长批准,启动险情(单点)三级应急响应。
在险情(单点)四级应急响应措施的基础上,还应采取以下响应行动:
区地指:组织规划自然资源、应急管理及有关行业部门赶赴现场开展应急处置工作;成立险情应对现场指挥部及工作组,由区地指指挥长或其指定人员任现场指挥部指挥长,组织指挥险情应急处置工作。
区规划自然资源局:视情请求市级行业主管部门提供支援,开展应急调查、风险监测,组织、协调、指导排危除险及应急治理等工作。
区应急管理局:通知相关抢险救援队伍待命,抢险救援物资装备上车待命,视情前置队伍、物资装备。
有关成员单位:视情请求市级行业主管部门支援,组织实施本行业领域地质灾害险情的排危除险、应急治理等工作。
5.2.2.3险情(单点)二级应急响应
启动条件:受灾害威胁需搬迁转移人数在500人以上不满1000人,或者可能造成的经济损失在5000万元以上不满1亿元。
启动程序:区地指指挥长组织规划自然资源、应急管理、气象等成员单位及有关乡镇(街道)会商研判,经区防减救灾委常务副主任批准,启动险情(单点)二级应急响应。
在险情(单点)三级应急响应措施的基础上,还应采取以下响应行动:
区地指:组织规划自然资源、应急管理及有关行业部门赶赴现场,成立险情应对现场指挥部及工作组,由区防减救灾委常务副主任或其指定人员任现场指挥部指挥长,组织指挥险情应急处置工作。
区规划自然资源局:请求市级行业主管部门提供支援,在市级专家指导下开展应急调查、风险监测、险情排危除险及应急治理等工作。
区应急管理局:组织应急救援力量、物资装备靠前驻防,做好抢险救援准备。
有关成员单位:请求市级行业主管部门支援,组织实施本行业领域地质灾害险情的排危除险、应急治理等工作。
5.2.2.4险情(单点)一级应急响应
启动条件:受灾害威胁需避险转移人数在1000人以上,或者可能造成的经济损失在1亿元以上。
启动程序:区防减救灾委常务副主任组织规划自然资源、应急管理、气象等成员单位及有关乡镇(街道)会商研判,经区防减救灾委主任批准,启动险情(单点)一级应急响应。
在险情(单点)二级应急响应措施的基础上,还应采取以下响应行动:
区地指:(1)组织规划自然资源、应急管理及有关行业部门赶赴现场,成立险情应对现场指挥部及工作组,由区防减救灾委主任或其指定人员任现场指挥部指挥长,组织指挥险情应急处置工作;市级现场指挥部成立后,移交指挥权,按照市级统一指挥部署,开展险情应急处置各项工作。(2)服务保障市级现场指挥部正常运转。
区规划自然资源局:调集专业技术力量、地质专家开展应急调查与风险监测,划定危险区范围,制定排危除险技术方案等工作;提出请求市级层面协调及紧急支援事项。
区应急管理局:协调驻万部队做好抢险救援准备;视情请求市级抢险救援队伍、物资装备支援。
5.2.3灾情(单点)分级响应
5.2.3.1灾情(单点)四级应急响应
启动条件:因灾死亡(含失联)人数在1人以上不满3人,或者因灾造成直接经济损失在50万元以上不满100万元。
启动程序:区地指办主任(应急管理方面)组织应急管理、规划自然资源、气象等成员单位及有关乡镇(街道)会商研判,经区地指副指挥长(应急管理方面)批准,启动灾情(单点)四级应急响应。
灾情(单点)四级应急响应采取以下响应行动:
区地指:(1)组织规划自然资源、应急管理等有关行业部门及抢险救援队伍赶赴现场开展抢险救援工作;视情成立灾情应对现场指挥部及工作组,由区地指副指挥长(应急管理方面)任现场指挥部指挥长,组织指挥灾情抢险救援工作。(2)收集汇总灾情抢险救援情况并及时向区政府和市地指报告。
区委宣传部:组织新闻媒体做好抢险救援宣传报道工作,及时回应社会关切。
区委社会工作部:负责引导青年志愿者等社会力量有序参与抢险救灾和灾后恢复重建等工作。
区委网信办:负责网络舆情监测和分析研判,指导、配合有关部门做好舆情应对处置工作。
区经济信息委:负责组织供电、燃气等企业做好应急保障工作。
区公安局:负责地质灾害现场及周边的治安秩序维护、道路交通管制;协助开展人员疏散撤离;防范和打击趁机盗窃、抢劫救灾物资和公私财产,传播谣言、制造恐慌等违法犯罪活动。
区民政局:做好遇难者遗体处置工作,协助做好受灾困难群众基本生活救助。
区财政局:负责筹集调度地质灾害防治和救灾资金,及时拨付专项资金;负责救灾资金使用的监管工作。
区规划自然资源局:派遣专业技术人员赶赴现场开展应急调查和风险监测;研判灾情及发展趋势,划定危险区范围,指导设置警戒;提出应急抢险措施建议,为抢险救援提供技术支撑;指导开展灾害现场周边隐患排查工作;指导做好群众安全避险转移场所选择工作;组织、指导开展排危除险及应急治理等工作。
区住房城乡建委:负责指导因灾受损房屋的安全鉴定工作;对涉及房屋结构的抢险救援工作提供技术支撑。
区城市管理局:负责组织供水企业做好应急保障工作;负责职责范围内市政设施抢险处置工作。
区交通运输委:负责修复毁坏的公路,抢通应急救援通道;负责应急运输保障工作。
区商务委:组织和协调受灾群众生活必需品的供应工作。
区卫生健康委:调度医疗卫生技术力量做好受伤人员现场急救和重伤人员转运救治;做好受伤人员、灾区群众和救援人员心理疏导;做好灾后卫生防疫工作,防范和控制传染病暴发。
区应急管理局:组织制定现场抢险救援方案;调集相关区级抢险救援队伍、物资装备赶赴现场开展抢险救援工作;牵头开展灾后调查评估工作。
区大数据发展局:负责应急抢险救援过程中的应急通信保障工作。
万州海事处:负责长江干线沿岸因地质灾害危及船舶航行安全时的应急处置和协调工作;当发生威胁通航安全的地质灾害时,实施水上交通管制,做好船舶交通组织和疏导工作。
万州气象局:负责提供地质灾害抢险救援期间的气象信息,按照工作需要及时发布灾害性天气趋势分析和预报。
区消防救援局:发挥应急救援主力军作用,组织消防救援队伍参与抢险救灾工作;协助灾区政府疏散和营救危险地区群众。
有关成员单位、有关单位根据职能职责和现场指挥部部署,做好有关工作。
事发地乡镇(街道):开展危险区域警戒、值守、管控;组织危险区域内群众撤离至安全地带,做好转移人员安置和生活保障;做好伤亡人员遗体处置、家属接待、抚恤、保险理赔等工作;做好现场指挥部抢险救援人员后勤保障工作;在区规划自然资源局指导下开展灾害现场周边隐患排查工作。
5.2.3.2灾情(单点)三级应急响应
启动条件:因灾死亡(含失联)人数在3人以上不满10人,或者因灾造成直接经济损失在100万元以上不满500万元。
启动程序:区地指副指挥长(应急管理方面)组织应急管理、规划自然资源、气象等成员单位及有关乡镇(街道)会商研判,经区地指指挥长批准,启动灾情(单点)三级应急响应。
在灾情(单点)四级应急响应措施的基础上,还应采取以下响应行动。
区地指:(1)组织规划自然资源、应急管理等有关行业部门及抢险救援队伍赶赴现场,成立灾情应对现场指挥部及工作组,由区地指指挥长或其指定人员任现场指挥部指挥长,组织指挥灾情抢险救援工作。(2)视情请求市地指帮助,解决需要紧急支援的事项。(3)及时、统一发布灾情信息和抢险救援救灾工作进展情况,加强舆论引导。
区委宣传部:视情组织召开新闻发布会。
区规划自然资源局:视情请求市级行业主管部门提供支援,在市级指导下开展应急调查、风险监测、应急抢险措施制定等技术支撑工作。
区应急管理局:在市级指导下做好抢险救援方案制定和组织实施,视情协调驻万部队参与抢险救援工作。
有关成员单位、有关单位视情协调市级行业主管部门提供支援,根据职能职责和现场指挥部部署,做好有关工作。
5.2.3.3灾情(单点)二级应急响应
启动条件:因灾死亡(含失联)人数在10人以上不满30人,或者因灾造成直接经济损失在500万元以上不满1000万元。
启动程序:区地指指挥长组织应急管理、规划自然资源、气象等成员单位及有关乡镇(街道)紧急会商,经区防减救灾委常务副主任批准,启动灾情(单点)二级应急响应。
在灾情(单点)三级应急响应措施的基础上,还应采取以下响应行动:
区地指:(1)组织规划自然资源、应急管理等有关行业部门及抢险救援队伍赶赴现场,成立灾情应对现场指挥部及工作组,由区防减救灾委常务副主任或其指定人员任现场指挥部指挥长,组织指挥抢险救援工作;市级现场抢险救援指挥部成立后移交指挥权,在市级统一领导下开展抢险救援工作。(2)及时向市地指报告灾情和应急处置工作进展情况,在市级统一领导下,部署开展应对处置工作。(3)提出需要市级层面解决及协调的紧急支援事项。(4)根据抢险救援需要,组织有关成员单位联络员集中办公,负责联络协调、处理与本单位有关的工作。(5)服务保障市级现场指挥部正常运转。
区委宣传部:配合市委宣传部做好救灾宣传报道、灾情和救援信息发布、新闻发布会召开等工作。
区规划自然资源局:调集专业技术力量、地质专家开展应急调查和风险监测,划定危险区域范围,提出抢险救援措施建议;向市级行业主管部门提出需要紧急支援事项。
区应急管理局:协调驻万部队参与抢险救援工作;请求市级应急救援队伍、物资装备支援,参与抢险救灾行动。
有关成员单位、有关单位及时向市级行业主管部门提出需要紧急支援事项,根据职能职责和现场指挥部部署,做好有关工作。
5.2.3.4灾情(单点)一级应急响应
启动条件:因灾死亡(含失联)人数在30人以上,或者因灾造成直接经济损失在1000万元以上。
启动程序:区防减救灾委常务副主任组织应急管理、规划自然资源、气象等成员单位及有关乡镇(街道)紧急会商,经区防减救灾委主任批准,启动灾情(单点)一级应急响应。
在灾情(单点)二级应急响应措施的基础上,还应采取以下响应行动:
区地指:(1)组织规划自然资源、应急管理等有关行业部门及抢险救援队伍赶赴现场,成立灾情应对现场指挥部及工作组,由区防减救灾委主任或其指定人员任现场指挥部指挥长,组织指挥灾情抢险救援工作;市级现场指挥部成立后,移交指挥权,在国务院指导组和市级统一领导下开展抢险救援工作。(2)及时向市地指报告灾情和应急处置工作进展情况,在国务院指导组和市委、市政府统一领导下,部署开展应对处置工作。
根据抢险救援需要,区规划自然资源局、区应急管理局、区公安、区交通运输委、区卫生健康委、万州气象局、区消防救援局、武警重庆总队执勤三支队、中国安能重庆分公司应急救援基地万州分队等部门和单位联络员集中办公,负责联络协调、处理与本单位有关的工作,其他成员单位按要求进驻。
5.3应急处置措施
(1)划定危险区范围。组织开展应急调查,划定地质灾害危险区范围,设立警示标志,落实值守人员,禁止无关人员进入。
(2)转移安置受灾群众。组织受威胁群众避险转移;开放应急避难场所或设置集中安置点,对安置场所进行地震、洪灾、地质灾害等风险评估,确保安置场所安全;组织和调运食品、饮用水、帐篷、衣被等各类救灾物资,保障受灾群众基本生活需要。鼓励受灾群众采取投亲靠友等方式解决临时困难,广泛动员社会力量安置受灾群众。
(3)开展人员搜救。组织基层组织、有关单位和广大干部群众开展自救互救,组织各方应急救援力量,调配救援装备,开展被困或失联人员搜救。根据需要,请求市级应急救援力量或协调驻万部队和周边抢险救援队伍参与抢险救援。
(4)抢修基础设施。抢修因灾损毁的铁路、公路等交通基础设施,协调运力优先保障应急抢险救援人员、救灾物资和伤病员运输需要。抢修供电、供水、供气、通信等基础设施,保障灾区群众生活需要和应急处置工作正常开展。
(5)开展医疗救治和卫生防疫。协调组织应急医疗队伍赴现场,抢救受伤群众。加强救护车、医疗器械、药品等医疗车辆、物资组织调度,确保被救人员得到及时医治,最大程度减少人员致伤致残。加强卫生防疫。开展心理疏导、援助。
(6)开展应急监测与处置。开展地质灾害应急调查分析、监测预警及周边隐患排查,会商研判灾情(险情)及发展趋势,指导开展排危除险及应急治理等应急处置措施,为抢险救援工作提供技术支撑和安全保障。
(7)维护社会治安。加强灾区治安、道路交通管制,加强重点单位、重点部位安全保卫工作,依法打击各类违法犯罪活动,做好社会治安风险监测、矛盾纠纷化解,严密防范、妥善处置群体性事件,维护社会稳定。
(8)加强宣传报道和舆情处置。指导各新闻媒体开展抢险救灾宣传报道,正确引导舆论,做好舆情应对处置工作。
(9)涉及应急处置和救援的其他工作。
5.4应急响应调整及终止
地质灾害应急响应启动后,可视地质灾害气象风险预警预报变化、灾情(险情)及其发展情况等对响应级别及时进行调整,避免响应不足或响应过度。
经会商研判或专家组鉴定,地质灾害风险或灾情(险情)得到有效控制或已消除,由启动应急响应的机构终止应急响应。
6后期处置和新闻报道
6.1后期处置
地质灾害应急响应结束后,由属地乡镇(街道)牵头,按有关法规和政策,对地质灾害受灾人员给予救助和救济,做好灾民安抚、转移安置、灾后后续监测及必要的防范等善后工作。迅速对地质灾害现场进行清理,排除障碍、恢复交通、保障城市功能,统筹安排灾区的生产生活和恢复重建工作,及时开展排危降险或综合治理。
6.2社会救助
地质灾害发生后,基金会、慈善组织、公益性非营利事业单位、区政府及其部门可以依法接受社会、个人和外国机构向受灾人员捐赠的资金和物资,并按规定加强管理使用。
6.3保险理赔
地质灾害发生后,万州金融监管分局应及时协调有关保险公司提前介入,按有关规定做好保险理赔工作。
6.4调查评估
地质灾害抢险救援工作结束后,由区应急管理局牵头,按照《重庆市地质灾害调查评估暂行办法》,组织实施因地质灾害死亡3人以下的调查评估工作;因地质灾害死亡3人—30人(不含30人)的调查评估工作在市级调查组的组织下,由有关单位配合开展;特大型地质灾害调查评估工作在国务院调查组的组织下,由有关单位配合开展。
6.5新闻发布
地质灾害发生后,有关信息发布工作按照《重庆市突发事件新闻发布应急预案》有关规定执行。大型及以上突发地质灾害灾情(险情)的新闻报道工作,由市委宣传部、市委网信办牵头成立新闻发布机构,按照有关规定统一向媒体发布灾害监测预警情况、损失情况、救援情况等信息。中型、小型突发地质灾害灾情(险情)的新闻报道工作,由区委宣传部牵头,按照有关规定统一向媒体发布灾害监测预警情况、损失情况、救援情况等信息。
7保障措施
7.1信息与通信保障
建立突发地质灾害信息采集、处理制度,确保应急处置期间的信息畅通。充分利用现代通讯手段,构建由有线、无线和卫星等组成的通信系统,并配备多路传真机、对讲机、手机终端、移动单兵等通讯设备,保证日常应急管理联络安全、畅通。重点成员单位及各应急救援队伍,确定1名负责人和联系人,保持24小时的通讯畅通。
利用互联网技术,加强地质灾害监测、预警、预报、远程会商信息系统建设,建立覆盖全区的地质灾害防治和应急信息网络,利用渝快政、微信群、QQ群等方式实现各部门间的信息共享,切实提高全区地质灾害应急能力。
7.2应急救援队伍保障
加强地质灾害应急救援保障队伍、应急救援和应急技术支撑专家队伍建设,有针对性地开展应急演练,提高地质灾害应急救援和应急处置能力。
7.2.1乡镇(街道)队伍保障
各乡镇(街道)应组建综合抢险救援队伍,保证自然灾害应急抢险救援的需要。
7.2.2区地指队伍保障
重点成员单位按职责组建相应的专业应急救援保障队伍,供水、供电、供气等生命线工程设施产权单位、管理或生产经营单位应加强专业工程抢险救援队伍建设。
区地指应加强地质灾害应急救援和应急技术支撑专家队伍建设,组建地质灾害防治救援技术支撑体系,为应急指挥辅助决策、地质监测和趋势判断、应急救援、调查评估等提供技术保障。
7.3应急救援装备和物资保障
区应急管理局、区规划自然资源局等有关部门,应根据应急工作需求配备相应的应急调查、监测、救援、通信、交通等装备设备和个人防护用品,加强对装备的日常管理和维护保养,并及时更新;各乡镇(街道)要加强应急抢险救援的设施、设备和物资储备,常备照明发电机、防护服、锄头、铁锹、钢钎、警示标志等设施设备,协议储备可随时调用的挖掘机、吊车、装卸汽车等大型救援装备,保证应急抢险救援工作的需要;各级应急救援保障队伍、应急技术支撑队伍根据工作需要,配备适宜的救援装备、设备。
各乡镇(街道)、区级有关部门、有关单位要储备用于灾民安置、医疗卫生、生活必需等必要的专用物资,加强抢险救灾物资保障。
7.4资金保障
区财政局建立地质灾害防治救援专项资金,各乡镇(街道)、区级有关部门、有关单位应多渠道、多层次筹集资金,加大投入力度,保证地质灾害防治和应急处置工作顺利进行。
7.5制度保障
各乡镇(街道)和区级相关部门要建立临灾“叫应”、提前避险转移、“七情”信息报送等防灾减灾救灾工作机制,完善地质灾害汛前排查、汛中巡查、汛后核查和24小时值班、灾情速报等日常应急管理制度,开展地质灾害防治工作标准化建设,加快建立和完善地质灾害防治组织体系、应急救援组织指挥调度体系,为保障预案有效实施提供制度保障。
8预案管理
8.1预案修订
根据地质灾害应急救援工作需要,原则上每3年对预案评估一次,并根据评估结果适时对本预案进行修订。各乡镇(街道)应结合实际,制定或修编本行政区域地质灾害应急预案。
8.2预案宣传、培训和演练
各乡镇(街道)、各行业部门应加强对地质灾害应急预案的宣传培训并定期组织开展应急演练。区防减救灾委或区地指应每年组织开展至少1次地质灾害应急演练;各乡镇(街道)应全覆盖组织各隐患点开展至少1次应急疏散演练,区规划自然资源局要加强技术指导;各乡镇(街道)演练评估报告要及时报区应急管理局和区规划自然资源局。
9附则
9.1名词解释
(1)地质灾害险情:已出现地质灾害临灾前兆,短期内可能发生地质灾害的地质体有关情况,包括对地质灾害发生时间、地点、规模、影响范围、威胁人员和财产等情况的预估。
(2)地质灾害灾情:造成人员伤亡或者财产损失的地质灾害情况,包括灾害发生时间、地点、受灾规模、引发因素、造成的人员伤亡、财产损失及有关影响等。
(3)重要地质灾害:指中型以上地质灾害灾情、险情或造成亡人的小型地质灾害灾情。
本预案有关数量的表述中,“以上”含本数,“以下”不含本数。
9.2预案解释
本预案由区应急管理局编制并负责解释。
9.3预案颁布实施
本预案自公布之日起施行,《重庆市万州区人民政府办公室关于印发〈重庆市万州区地质灾害应急预案(暂行)〉的通知》(万州府办发〔2021〕42号)同时废止。
|
序号 |
部门 |
值班电话 |
主要职责 |
|
1 |
区人武部 |
87662100 |
负责协调驻万部队参加地质灾害抢险救灾行动;牵头组织指导相关部队抓好地质灾害抢险任务准备;指导乡镇(街道)组织民兵开展地质灾害抢险救援技能训练和参与救援工作。 |
|
2 |
区委宣传部 |
58815959 |
负责组织媒体做好地质灾害政策解读和宣传报道;组织指导地质灾害及突发事件信息发布和舆论引导;组织指导有关部门开展地质灾害知识宣传教育。 |
|
3 |
区委社会 工作部 |
58373291 |
负责协同相关单位组建青年突击队伍、青年志愿者服务队伍,引导青年志愿者等社会力量有序参与抢险救灾和灾后恢复重建等工作。 |
|
4 |
区委网信办 |
58597357 |
负责网络舆情监测和分析研判,指导、配合有关部门做好舆情应对处置工作。 |
|
5 |
区发展改革委 |
58258133 |
负责地质灾害防治、应急工作与国民经济和社会发展规划、政府投资三年滚动计划、年度投资计划的衔接平衡;负责受灾群众粮油应急保障;负责区级救灾物资的收储、轮换和日常管理,根据动用指令按程序组织调拨救灾物资。 |
|
6 |
区教委 |
58224903 |
负责职责范围内可能影响学校等教育机构安全的地质灾害防治工作,妥善解决灾区学生就学问题,做好师生地质灾害防灾减灾救灾知识宣传教育。 |
|
7 |
区科技局 |
58224768 |
加强地质灾害应急救援科技研发力度。 |
|
8 |
区经济信息委 |
58226147 |
负责安全监管职责范围内可能影响工业企业安全的地质灾害防治工作和突发灾害应急抢险处置工作;负责指导全区(含万州经开区)工业企业将地质灾害巡查排查和监测预警纳入企业日常生产活动范畴;协调保障地质灾害抢险救灾的电力供应;负责组织地质灾害发生后损毁电力、供气设施抢险抢修,恢复灾区供电、供气。 |
|
9 |
区公安局 |
58293149 |
负责地质灾害现场警戒、道路交通管制和治安工作,协助开展人员疏散撤离;依法查处灾害期间出现的“打砸抢烧”、囤积居奇、制假贩假、散布谣言等违法犯罪行为。 |
|
10 |
区民政局 |
58226138 |
负责支持引导救灾捐赠工作,督促指导各地及时将符合条件的受灾群众纳入临时救助或最低生活保障范围;做好因灾遇难人员殡仪工作。 |
|
11 |
区财政局 |
58224860 |
负责筹集调度地质灾害防治和救灾资金,及时拨付专项资金;负责救灾资金使用的监管工作。 |
|
12 |
区规划自然 资源局 |
58114080 |
负责组织、协调、指导、监督地质灾害预防和综合治理工作;监督管理地下水过量开采及引发的地面沉降等地质问题;负责落实综合防灾减灾规划相关要求,组织编制全区地质灾害防治规划并实施;组织、指导、协调、监督地质灾害调查评价及隐患的普查、详查、排查和防治工作;指导开展全区群测群防、专业监测和预报预警等工作;指导开展地质灾害工程治理工作;承担全区地质灾害应急救援的技术支撑工作。 |
|
13 |
区生态环境局 |
58812369 |
负责对地质灾害诱发的次生突发环境事件污染物开展应急监测,会同相关部门开展排查,指导开展污染物处置。 |
|
14 |
区住房城乡建委 |
58377319 |
负责可能影响在建房屋建筑与市政基础设施工程或因施工诱发地质灾害的防治工作,农村切坡建房边坡隐患排查、监测、治理工作;负责指导因灾受损房屋的安全排查和鉴定工作;配合有关单位做好房屋建筑和市政基础设施工程因施工诱发地质灾害的抢险救灾,制定应急抢险方案并组织实施。 |
|
15 |
区城市管理局 |
58241226 |
负责职责范围内可能影响城市道路及市政设施安全的地质灾害防治工作和突发灾害应急抢险处置工作;负责组织地质灾害发生后城镇损毁供水设施抢险抢修,恢复灾区供水。 |
|
16 |
区交通运输委 |
58224347 |
负责职责范围内可能影响公路、长江干线以外航道及交通附属设施安全的地质灾害防治工作和突发灾害应急抢险处置工作;负责交通应急运输保障工作。 |
|
17 |
区水利局 |
58123486 |
负责水利工程、设施管理范围内的地质灾害防治工作和突发灾害应急抢险处置工作;做好三峡库区移民高切坡地质灾害防治工作;承担水利工程及水利设施地质灾害应急抢险救援的技术支撑工作。 |
|
18 |
区农业农村委 |
58569700 |
负责农村宅基地选址指导;负责因地质灾害造成的农业生产受灾情况调查,核实农业受灾情况,指导灾后恢复生产。 |
|
19 |
区商务委 |
58224928 |
负责安全监管职责范围内可能影响商贸企业安全的地质灾害防治工作,配合突发灾害应急抢险处置工作;组织和协调灾后居民生活必需品的供应。 |
|
20 |
区文化旅游委 |
58815889 |
负责指导协调景区管理单位和景区主管部门做好地质灾害防治工作,配合做好地质灾害抢险救灾工作。 |
|
21 |
区卫生健康委 |
58815205 |
负责职责范围内可能影响医院等医疗卫生机构安全的地质灾害防治工作和突发灾害应急抢险处置工作;负责组织调度医疗卫生技术力量,开展医疗救护和抢救伤病员工作;加强灾区卫生防疫,采取有效措施防止和控制传染病疫情暴发。 |
|
22 |
区应急管理局 |
58255666 |
指导协调地质灾害防治相关工作,组织协调地质灾害应急救援工作;组织编制全区地质灾害应急预案,组织开展预案演练;提出应急处置工作建议和意见,制定抢险救援方案,组织、协调乡镇(街道)、相关部门和抢险救援力量开展应急抢险救援工作;开展灾后调查评估;统筹安排救灾资金。 |
|
23 |
区国资委 |
58520066 |
负责督促、协调监管企业做好地质灾害防治工作,协助开展地质灾害抢险救灾工作。 |
|
24 |
区大数据发展局 |
58966399 |
负责地质灾害数据资源互联互通、资源共享;运用大数据、人工智能等协助抢险救灾;负责组织协调地质灾害抢险救援过程中应急通信保障。 |
|
25 |
武警重庆总队执勤三支队 |
58130366 |
负责组织武警部队参与应急处置和抢险救灾行动,配合公安机关维护灾区社会秩序。 |
|
26 |
武警重庆总队船艇支队三大队 |
58560117 |
负责参与应急处置和抢险救灾行动。 |
|
27 |
万州海关 |
58370066 |
负责因救灾出入境的人员、运输工具、货物、行李物品、邮递物品和其它物品的监管通关工作。 |
|
28 |
万州金融监管分局 |
58258306 |
负责依法做好灾区有关保险理赔和给付的监管工作。 |
|
29 |
万州海事处 |
58296666 |
负责长江万州段沿岸因地质灾害危及船舶航行安全时的应急处置和协调工作;当发生威胁通航安全的地质灾害时,实施水上交通管制,做好船舶交通组织和疏导工作。 |
|
30 |
万州气象局 |
58123132 |
负责发布灾害性天气趋势分析和预警预报;会同区规划自然资源局加强会商研判,及时发布地质灾害气象风险预警预报;负责提供地质灾害处置期间的气象信息。 |
|
31 |
区消防救援局 |
58660615 |
负责组织消防救援队伍参与地质灾害应急处置和抢险救灾行动,做好人员搜救等工作。 |
|
32 |
国网万州供电公司 |
58297227 |
负责地质灾害抢险救灾和灾后电力供应、电力安全工作,负责本系统灾害应急处置工作。 |
|
33 |
三峡水利万州 公司 |
87509613 |
负责地质灾害抢险救灾和灾后电力供应、电力安全工作,负责本系统灾害应急处置工作。 |
|
34 |
中国安能重庆分公司应急救援基地万州分队 |
88932888 |
负责参与应急处置和抢险救灾行动。 |
|
成员单位除承担上述职责外,还应根据区地指的要求,承担与其职责相关的其他工作。 | |||
|
序号 |
现场工作组 |
牵头单位 |
成员单位 |
主要职责 |
|
1 |
综合协调组 |
区应急管理局(灾情)、区规划自然资源局(险情) |
属地乡镇(街道) |
传达现场指挥部指令,报告应急处置情况,协调抢险救援工作,完成现场指挥部交办的其他任务。 |
|
2 |
技术专家组 |
区规划自然资源局、区应急管理局 |
由区生态环境局、区住房城乡建委、区交通运输委、区水利局、万州气象局、武警重庆总队执勤三支队、区消防救援局、中国安能重庆分公司应急救援基地万州分队等单位组成 |
会商研判地质灾害预警、应急响应级别及应急处置措施等,为突发地质灾害应对工作提供决策咨询。划定地质灾害危险区范围,对地质灾害灾情(险情)开展应急调查和动态监测,实时观测救灾场地安全变化及监控次生灾害;向现场指挥部提供灾情、险情发展变化趋势,提供气象、地质、水文变化情况,提出排危除险和抢险救援相关建议。 |
|
3 |
抢险救援组 |
区应急管理局 |
由区规划自然资源局、武警重庆总队执勤三支队、区消防救援局、中国安能重庆分公司应急救援基地万州分队、有关社会救援组织等单位组成 |
制定并组织实施排危除险和抢险救援方案,协调、调度抢险救援队伍、装备和设施,搜救被困人员,落实应急处置和应急治理相关措施。 |
|
4 |
治安防范组 |
区公安局 |
由武警重庆总队执勤三支队、属地乡镇(街道)组成 |
维护地质灾害现场警戒区治安,协助组织人员疏散撤离;防范和打击趁机盗窃、抢劫救灾物资和公私财产,传播谣言、制造恐慌等违法犯罪活动。 |
|
5 |
医疗卫生组 |
区卫生健康委 |
由区卫生系统有关医疗单位、区红十字会组成 |
对受伤人员进行现场急救和重伤人员转运救治;开展受伤人员、灾区群众和救援人员心理疏导;做好灾后卫生防疫工作,防范和控制传染病暴发。 |
|
6 |
新闻发布组 |
区委宣传部 |
由区委网信办、区应急管理局、区规划自然资源局及有关行业主管部门组成 |
负责新闻发布及与新闻媒体的联络协调工作,做好舆情应对处置工作。 |
|
7 |
后勤保障组 |
属地乡镇 (街道) |
由区发展改革委、区经济信息委、区公安局、区民政局、区财政局、区城市管理局、区交通运输委、区商务委、区应急管理局、区大数据发展局等单位组成 |
负责抢险救援应急电力、供水和通讯保障;负责地质灾害现场的交通运输保障,做好交通管制和道路交通疏导;做好应急拨款准备,调配、发放应急救灾资金和物资;落实应急避难场所,转移安置受灾群众;负责伤亡人员遗体处置、家属接待、抚恤和经济补偿等;为抢险救援人员提供后勤保障。 |
地质灾害气象风险预警分级及行动措施
|
地质灾害气 象风险预警 |
风险描述 |
对应地质灾害 预警等级 |
预警行动 |
|
四级(蓝色) |
气象因素致地质灾害发生有一定风险 |
地质灾害 四级预警(蓝色) |
有关乡镇(街道)、部门执行24小时值班值守制度;气象、规划自然资源部门定期更新地质灾害气象风险预警信息,并传达至有关乡镇(街道)、行业部门、相关责任人;行业部门及时将地质灾害气象风险预警信息传达至有关单位防灾责任人,组织开展预警区内行业领域地质灾害的巡查监测,发现情况及时处置;乡镇(街道)及时将地质灾害气象风险预警信息及工作要求传达至本辖区“四重”网格员、地防员及村(社区)基层组织,组织开展地质灾害风险隐患的巡查监测,发现险情及时处置上报。 |
|
三级(黄色) |
气象因素致地质灾害发生风险较高 |
地质灾害 三级预警(黄色) |
在蓝色预警行动措施的基础上,气象、规划自然资源、应急管理等部门密切关注降雨预报和降雨实况,会商研判地质灾害发展趋势;行业部门通知行业领域野外作业人员做好避险转移准备,组织对黄色预警区内行业领域高风险地质灾害隐患加密巡查监测;乡镇(街道)及时将地质灾害气象风险预警信息叫应至受威胁群众,提醒其做好转移撤离准备,对黄色预警区内的地质灾害极高、高风险区和重要地质灾害隐患点每日巡查不低于2次,乡镇(街道)应急救援队伍做好应急准备。 |
|
二级(橙色) |
气象因素致地质灾害发生风险高 |
地质灾害 二级预警(橙色) |
在黄色预警行动措施的基础上,气象、规划自然资源部门加强地质灾害气象风险预警预报和短时预警预报;行业部门对橙色预警区内高风险地质灾害隐患加密巡查监测,视情组织行业领域野外作业人员提前转移避险,视情启动熔断机制,适时采取暂停野外施工作业、交通管制、关闭景区等临时性措施;乡镇(街道)组织“四重”网格员、地防员及村(社区)基层组织加密开展地质灾害巡查监测,对橙色预警区内地质灾害极高、高风险区和重要地质灾害隐患点每日巡查不低于4次,视情提前组织重点防范区隐患点和风险区受威胁人员提前转移避险;区级应急救援队伍做好应急救援准备。 |
|
一级(红色) |
气象因素致地质灾害发生风险很高 |
地质灾害 一级预警(红色) |
在橙色预警行动措施的基础上,行业部门做好野外作业人员提前避险转移工作,对红色预警区内行业领域高风险地质灾害隐患开展实时巡查,对预警区内高风险区域采取交通管制、关闭景区等熔断机制,暂停红色预警区内野外施工作业;乡镇(街道)做好预警区内受威胁人员提前避险转移工作,对红色预警区内地质灾害极高、高风险区和重要地质灾害隐患点开展实时巡查;区地指派工作组赴红色预警区域指导开展地质灾害防范应对工作,区级应急救援队伍提前至高风险区域驻防。 |
附件4
|
预警分级 |
风险描述 |
预警行动 |
|
蓝色预警 |
地质灾害隐患点有变形迹象,一年内发生崩塌、滑坡和塌岸的可能性不大。 |
开展监测预警,落实避险搬迁计划或采取工程治理措施。 |
|
黄色预警 |
地质灾害隐患点有明显的变形特征,在数月内或一年内发生大规模崩塌、滑坡和塌岸的概率较大。 |
加密监测巡查,划定危险区和影响区,撤离危险区内人员,视情况采取降险处置措施。 |
|
橙色预警 |
地质灾害隐患点有明显的变形特征,且有一定的宏观前兆特征,在几天内或数周内发生大规模崩塌、滑坡和塌岸的概率大。 |
发布橙色警报,开展24小时监测巡查,划定危险区和影响区,撤离危险区和影响区内人员,启动防灾预案。 |
|
红色预警 |
地质灾害隐患点有明显的变形特征,且各种短期临滑前兆特征显著,在数小时内或数天内发生大规模崩塌、滑坡和塌岸的概率很大。 |
发布红色警报,开展24小时监测巡查,划定危险区和影响区,撤离危险区和影响区内人员,做好应急抢险救援准备。 |
附件5
|
险情分级 |
特大型 |
大型 |
中型 |
小型 |
|
可能造成的经济损失 |
≥10000万元 |
≥5000万元,<10000万元 |
≥500万元,<5000万元 |
≥300万元,<500万元 |
|
需搬迁转移人数 |
≥1000人 |
≥500人,<1000人 |
≥100人,<500人 |
≥50人,<100人 |
|
应急响应级别 |
一级 |
二级 |
三级 |
四级 |
附件6
|
灾情分级 |
特大型 |
大型 |
中型 |
小型 |
|
直接经济损失 |
≥1000万元 |
≥500万元,<1000万元 |
≥100万元,<500万元 |
≥50万元,<100万元 |
|
因灾死亡人数 |
≥30人 |
≥10人,<30人 |
≥3人,<10人 |
≥1人,<3人 |
|
应急响应级别 |
一级 |
二级 |
三级 |
四级 |
附件7

响应级别 |
启动条件 |
启动程序 |
区地指 |
有关成员单位 |
乡镇(街道) |
|
四级 |
1.气象部门发布暴雨黄色及以上预警信号,经区地指办组织会商研判发生地质灾害风险较高。 2.地质灾害气象风险橙色预警涉及的乡镇(街道)数量在10个以上不满30个。 3.一次降雨过程导致全区受地质灾害威胁的转移安置人数在200人以上不满500人。 |
区地指办主任(应急管理方面)组织气象、规资、应急等成员单位及有关乡镇(街道)会商研判,经区地指副指挥长(应急管理方面)批准,启动雨情四级应急响应。 |
1.区地指副指挥长(应急管理方面)视频调度降雨乡镇(街道), 部署防范应对工作。 2.加强对高风险区地质灾害防范应对工作的指导检查,督促乡镇(街道)、有关部门、有关单位和有关责任人落实防灾责任。 3.向有关乡镇(街道)发出工作提示。 4.收集汇总全区地质灾害应对情况并及时上报。 |
1.气象部门严密监测天气变化情况,及时发布气象预警预报。 2.规资部门会同气象部门加强会商研判,实时发布地质灾害气象风险预警预报;划定重点防范区域,明确避险转移对象,提出具体防范措施;督促有关乡镇(街道)落实防范应对工作,抽查“四重”网格员、地防员在岗在位情况;密切关注地质灾害群测群防智能化监测点监测数据变化;视情派出工作组赴重点乡镇(街道)开展指导。 3.应急部门加强抢险救援队伍、装备、物资准备。 4.住建、交通、水利、文旅、教育、民政等部门通知监管单位及行业领域在建工程建设单位做好地质灾害防范应对工作,做好地质灾害巡查排查、抢险救援准备等工作。 5.其他部门、有关单位密切关注预警信息,做好地质灾害巡查排查、抢险救援准备等工作。 |
1.安排并督促落实本辖区地质灾害防范应对工作。 2.及时将预警信息叫应到户到人到企业。 3.组织地灾专管员、群测群防员、地防员、村(社区)基层组织做好地质灾害风险隐患的巡查排查、监测预警等工作,落实防范措施。 4.组织受威胁群众转移避险。 5.做好抢险救援准备。 |
|
三级 |
1.气象部门发布暴雨橙色及以上预警信号,经区地指办组织会商研判发生地质灾害风险高。 2.地质灾害气象风险橙色预警涉及的乡镇(街道)数量在30个以上或者红色预警涉及乡镇(街道)数量在1个以上不满10个。 3.一次降雨过程导致全区受地质灾害威胁的转移安置人数在500人以上不满1000人。 |
区地指副指挥长(应急管理方面)组织气象、规资、应急等成员单位及有关乡镇(街道)会商研判,经区地指指挥长批准,启动雨情三级应急响应。 |
在四级应急响应措施的基础上还应采取以下响应措施: 1.区地指指挥长调度地质灾害高风险乡镇(街道),安排部署防范应对工作。 2.组织规资、应急等部门人员和专家组成工作组,赴重点乡镇(街道)督导地质灾害防范应对工作。 |
在四级应急响应措施的基础上还应采取以下响应措施: 1.规资部门加密地质灾害气象风险预警预报发布;派出指导组赴重点乡镇(街道)指导地质灾害防范工作;指导预警区内不稳定地灾隐患点受威胁群众以及高和极高风险区“四临”区域可能受地质灾害威胁群众的避险转移工作。 2.应急部门视情前置救援力量和物资装备,做好抢险救援准备。 3.住建、交通、水利、文旅、教育、民政等部门指导预警区内高和极高风险区存在较大地质灾害风险的行业领域在建工程暂停建设作业,做好监管单位和野外作业人员的避险转移工作,视情督促指导预警区内山区地域监管单位暂停教学、文旅、客运等生产经营活动。 4.其他部门、有关单位密切关注预警信息,指导预警区内高和极高风险区存在较大地质灾害风险的本行业野外作业人员的避险转移工作。 |
在四级应急响应措施的基础上还应采取以下响应措施: 1.派出干部进驻村(社区)、组指导开展地质灾害防范应对工作。 2.组织地灾专管员、群测群防员、地防员、村(社区)基层组织加密巡查防控。 3.组织不稳定地灾隐患点、高和极高风险区“四临”区域可能受威胁群众转移避险。 4.视情启动熔断机制,适时采取交通管制、关闭景区等临时性措施。 5.视情前置救援力量和物资,做好抢险救援准备。 |
|
二级 |
1.气象部门发布暴雨红色预警信号,经区地指办组织会商研判发生地质灾害风险很高。 2.地质灾害气象风险红色预警涉及乡镇(街道)数量在10个以上不满30个。 3.一次降雨过程导致全区受地质灾害威胁的转移安置人数在1000人以上不满2000人。 |
区地指指挥长组织气象、规资、应急等成员单位及有关乡镇(街道)会商研判,经区防减救灾委常务副主任批准,启动雨情二级应急响应。 |
在三级应急响应措施的基础上还应采取以下响应措施: 1.区防减救灾委常务副主任调度灾害高风险乡镇(街道),部署防范应对工作。 2.视情调派区级应急救援队伍、装备、物资提前驻防重点乡镇(街道),强化抢险救援准备。 3.视情组织气象、规资、应急等重点部门集中办公。 |
在三级应急响应措施的基础上还应采取以下响应措施: 1.规资部门指导预警区内基本稳定地灾隐患点受威胁群众,高和极高风险区可能受地质灾害威胁群众,以及“四临”区域可能受地质灾害威胁群众的避险转移工作。 2.应急部门调派区级救援力量、物资装备前置高风险乡镇(街道)驻防。 3.住建、交通、水利、文旅、教育、民政等部门暂停预警区内所有在建工程建设作业,做好监管单位和野外作业人员的避险转移工作;督促指导预警区内山区地域监管单位暂停教学、文旅、客运等生产经营活动。 4.其他部门、有关单位密切关注预警信息,指导做好预警区内主管的所有野外作业人员的避险转移工作。 |
在三级应急响应措施的基础上还应采取以下响应措施: 1.进一步强化辖区地质灾害风险隐患巡查排查、监测预警等防范应对工作。 2.组织基本稳定地灾隐患点、高和极高风险区、“四临”区域可能受地质灾害威胁群众转移避险。 3.对高风险区域采取交通管制、关闭景区等熔断机制。 4.调集乡镇(街道)综合应急救援队伍、装备、物资等应急资源提前驻防,做好抢险救援准备。 |
|
一级 |
1.地质灾害气象风险红色预警涉及的乡镇(街道)数量在30个以上。 2.一次降雨过程导致全区受地质灾害威胁的转移安置人数在2000人以上。 |
区防减救灾委常务副主任组织气象、规资、应急等成员单位及有关乡镇(街道)会商研判,经区防减救灾委主任批准,启动雨情一级应急响应。 |
在二级应急响应措施的基础上还应采取以下响应措施: 1.区防减救灾委主任视频调度灾害高风险乡镇(街道),部署防范应对工作。必要时,提请区委主要负责人部署防范应对工作。 2.组织由包片区领导带队,规资、应急等部门组成的工作组,赴重点乡镇(街道)督导地质灾害防范应对工作。 3.调派区级应急救援队伍、装备、物资等应急资源提前驻防重点乡镇(街道),强化抢险救援准备。 4.组织气象、规资、应急等重点部门集中办公。 |
在二级应急响应措施的基础上还应采取以下响应措施: 有关成员单位密切关注气象预警信息,加密会商研判,组织、指导危险区域人员提前做好避险转移工作,及时启动熔断机制,对重点部位进行管控封闭。
|
在二级应急响应措施的基础上还应采取以下响应措施: 密切关注气象预警信息,加密会商研判,组织、指导危险区域人员提前做好避险转移工作,及时启动熔断机制,对重点部位进行管控封闭。 |
附件9
响应级别 |
启动条件 |
启动程序 |
区地指 |
有关成员单位 |
乡镇(街道) |
险情应对现场指挥部 |
|
四级 |
1.受险情威胁需搬迁转移人数在50人以上不满100人。 2.险情可能造成的经济损失在300万元以上不满500万元。 |
区地指办主任(规划自然资源方面)组织规资、应急、气象等成员单位及有关乡镇(街道)会商研判,经区地指副指挥长(规划自然资源方面)批准,启动险情(单点)四级应急响应。 |
1.组织规资、应急及有关行业部门赶赴现场开展应急处置工作;视情成立险情应对现场指挥部及工作组,由区地指副指挥长(规划自然资源方面)任现场指挥部指挥长,组织指挥险情应急处置工作。 2.收集汇总险情处置情况并及时向区政府和市地指报告。 |
1.规资部门派遣专业技术人员赶赴现场开展应急调查与风险监测,划定危险区域范围,提出应急处置建议措施,为险情处置提供技术支撑;负责组织、协调、指导地质灾害险情的排危除险、应急治理等工作。 2.应急部门派遣工作人员赶赴现场配合开展险情处置、受威胁群众转移安置等工作;通知相关抢险救援队伍备勤,准备好抢险救援物资装备。 3.有关成员单位组织实施本行业领域地质灾害险情的排危除险、应急治理等工作,根据职能职责和现场指挥部要求,做好应急处置相关工作。 |
1.属地乡镇(街道)有关负责人带队第一时间赶赴现场,同时通知辖区驻守地质工程师赶赴现场开展调查处置。 2.迅速收集地质灾害险情情况,及时报区政府、区地指办及相关行业部门;提出需要区级层面帮助解决的紧急事项。 3.划定危险区域范围,开展危险区域警戒、值守、管控。 4.组织危险区域内群众撤离,做好转移人员安置和生活保障。 5.加强险情趋势研判,及时发布预警信息,在确保安全的前提下,组织实施防止险情扩大的应急处置措施。 6.会同相关行业部门开展地质灾害险情排危除险、应急治理等工作。 |
1.组织指挥险情应急处置工作。 2.接受市地指调度,对接市级派出的工作组,接受其指导。 |
|
三级 |
1.受险情威胁需搬迁转移人数在100人以上不满500人。 2.险情可能造成的经济损失在500万元以上不满5000万元。 |
区地指副指挥长(规划自然资源方面)组织规资、应急、气象等成员单位及有关乡镇(街道)会商研判,经区地指指挥长批准,启动险情(单点)三级应急响应。 |
在四级应急响应措施的基础上还应采取以下响应措施: 组织规资、应急及有关行业部门赶赴现场开展应急处置工作;成立险情应对现场指挥部及工作组,由区地指指挥长或其指定人员任现场指挥部指挥长,组织指挥险情应急处置工作。 |
在四级应急响应措施的基础上还应采取以下响应措施: 1.规资部门视情请求市级行业主管部门提供支援,开展应急调查、风险监测,组织、协调、指导排危除险及应急治理等工作。 2.应急部门通知相关抢险救援队伍待命,抢险救援物资装备上车待命,视情前置队伍、物资装备。 3.有关成员单位视情请求市级行业主管部门支援,组织实施本行业领域地质灾害险情的排危除险、应急治理等工作。 | ||
|
二级 |
1.受险情威胁需搬迁转移人数在500人以上不满1000人。 2.险情可能造成的经济损失在5000万元以上不满1亿元。 |
区地指指挥长组织规资、应急、气象等成员单位及有关乡镇(街道)会商研判,经区防减救灾委常务副主任批准,启动险情(单点)二级应急响应。 |
在三级应急响应措施的基础上还应采取以下响应措施: 组织规资、应急及有关行业部门赶赴现场,成立险情应对现场指挥部及工作组,由区防减救灾委常务副主任或其指定人员任现场指挥部指挥长,组织指挥险情应急处置工作。 |
在三级应急响应措施的基础上还应采取以下响应措施: 1.规资部门请求市级行业主管部门提供支援,在市级专家指导下开展应急调查、风险监测、险情排危除险及应急治理等工作。 2.应急部门组织应急救援力量、物资装备靠前驻防,做好抢险救援准备。 3.有关成员单位请求市级行业主管部门支援,组织实施本行业领域地质灾害险情的排危除险、应急治理等工作。 | ||
|
一级 |
1.受险情威胁需搬迁转移人数在1000人以上。 2.险情可能造成的经济损失在1亿元以上。 |
区防减救灾委常务副主任组织规资、应急、气象和有关成员单位及有关乡镇(街道)会商研判,经区防减救灾委主任批准,启动险情(单点)一级应急响应。 |
在二级应急响应措施的基础上还应采取以下响应措施: 1.组织规资、应急及有关行业部门赶赴现场,成立险情应对现场指挥部及工作组,由区防减救灾委主任或其指定人员任现场指挥部指挥长,组织指挥险情应急处置工作;市级现场指挥部成立后,移交指挥权,按照市级统一指挥部署,开展险情应急处置各项工作。 2.服务保障市级现场指挥部正常运转。 |
在二级应急响应措施的基础上还应采取以下响应措施: 1.规资部门调集专业技术力量、地质专家开展应急调查与风险监测,划定危险区范围,制定排危除险技术方案等工作;提出请求市级层面协调及紧急支援事项。 2.应急部门协调驻万部队做好抢险救援准备;视情请求市级抢险救援队伍、物资装备支援。 |
|
在二级应急响应措施的基础上还应采取以下响应措施: 市级险情应对现场指挥部成立后,移交指挥权,在市级统一指挥部署下,开展险情应急处置工作。 |
附件10
响应级别 |
启动条件 |
启动程序 |
区地指 |
有关成员单位 |
乡镇(街道) |
灾情应对现场指挥部 |
|
四级 |
1.因灾死亡(含失联)人数在1人以上不满3人。 2.因灾造成直接经济损失在50万元以上不满100万元。 |
区地指办主任(应急管理方面)组织应急、规资、气象等成员单位及有关乡镇(街道)会商研判,经区地指副指挥长(应急管理方面)批准,启动灾情(单点)四级应急响应。 |
组织规资、应急及有关行业部门、抢险救援队伍赶赴现场开展抢险救援工作;视情成立灾情应对现场指挥部及工作组,由区地指副指挥长(应急管理方面)任现场指挥部指挥长,组织指挥灾情抢险救援工作。 |
1.规资部门派遣专业技术人员赶赴现场开展应急调查和风险监测,划定危险区域范围,为抢险救援提供技术支撑;组织、指导开展排危除险及应急治理等工作。 2.应急部门组织制定现场抢险救援方案;调集相关区级抢险救援队伍、物资装备赶赴现场开展抢险救援工作。 3.公安部门负责地质灾害现场及周边的治安秩序维护;协助开展人员疏散撤离。 4.卫生部门调度医疗卫生技术力量做好受伤人员现场急救和重伤人员转运救治;做好受伤人员、灾区群众和救援人员心理疏导;做好灾后卫生防疫工作,防范和控制传染病暴发。 5.公安、交通、海事等部门对受威胁路段、水域等实施管制、关闭等措施。 6.应急、交通、大数据、经信、商务等部门负责抢险救援物资装备、交通运输、通信、电力、生活物资等方面应急保障。 7.气象部门负责提供抢险救援期间的气象信息,及时发布灾害性天气趋势分析和预报。 8.宣传部门指导各新闻媒体做好抢险救灾宣传报道,及时回应社会关切;网信部门加强网络舆情应对部署。 9.其他成员单位、有关单位根据职能职责和现场指挥部部署,做好有关工作。 |
1.属地乡镇(街道)有关负责人带队第一时间赶赴现场,同时通知辖区驻守地质工程师赶赴现场开展调查处置。 2.迅速收集地质灾害灾情情况,及时报区政府、区地指办及相关行业部门;提出需要区级层面帮助解决的紧急事项。 3.划定危险区域范围,开展危险区域警戒、值守、管控。 4.组织危险区域内群众撤离至安全地带,做好转移人员安置和生活保障。 5.加强灾情趋势研判,及时发布预警,在确保安全的前提下,组织乡镇(街道)应急救援队伍、当地干部群众开展抢险救援工作。 6.做好伤亡人员遗体处置、家属接待、抚恤、保险理赔等工作。 7.做好现场指挥部抢险救援人员后勤保障工作。 8.在规资部门指导下组织开展灾害现场周边隐患排查工作。 |
1.负责组织指挥抢险救援工作。 2.接受市地指调度,对接市级派出的工作组,接受其指导。 |
|
三级 |
1.因灾死亡(含失联)人数在3人以上不满10人。 2.因灾造成直接经济损失在100万元以上不满500万元。 |
区地指副指挥长(应急管理方面)组织应急、规资、气象等成员单位及有关乡镇(街道)会商研判,经区地指指挥长批准,启动灾情(单点)三级应急响应。 |
在四级应急响应措施的基础上还应采取以下响应措施: 1.组织规资、应急及有关行业部门赶赴现场,成立灾情应对现场指挥部及工作组,由区地指指挥长或其指定人员任现场指挥部指挥长,组织指挥灾情抢险救援工作。 2.视情请求市地指帮助,解决需要紧急支援的事项。 3.及时、统一发布灾情信息和抢险救援救灾工作进展情况,加强舆论引导。 |
在四级应急响应措施的基础上还应采取以下响应措施: 1.规资部门视情请求市级行业主管部门提供支援,在市级指导下开展应急调查、风险监测、应急抢险措施制定等技术支撑工作。 2.应急部门在市级指导下做好抢险救援方案制定和组织实施,视情协调驻万部队参与抢险救援工作。 3.宣传部门视情组织召开新闻发布会。 4.有关成员单位、有关单位视情协调市级行业主管部门提供支援,根据职能职责和现场指挥部部署,做好有关工作。 | ||
|
二级 |
1.因灾死亡(含失联)人数在10人以上不满30人。 2.因灾造成直接经济损失在500万元以上不满1000万元。 |
区地指指挥长组织应急、规资、气象等成员单位及有关乡镇(街道)紧急会商,经区防减救灾委常务副主任批准,启动灾情(单点)二级应急响应。 |
在三级应急响应措施的基础上还应采取以下响应措施: 1.组织规资、应急及有关行业部门赶赴现场,成立灾情应对现场指挥部及工作组,由区防减救灾委常务副主任或其指定人员任现场指挥部指挥长,组织指挥抢险救援工作;市级现场指挥部成立后,移交指挥权,在市级统一领导下开展抢险救援工作。 2.及时向市地指报告灾情和应急处置工作进展情况,在市级统一领导下,部署开展应对处置工作。 3.提出需要市级层面解决及协调的紧急支援事项。 4.根据抢险救援需要,组织有关成员单位联络员集中办公,负责联络协调、处理与本单位有关的工作。 5.服务保障市级现场指挥部正常运转。 |
在三级应急响应措施的基础上还应采取以下响应措施: 1.规资部门调集专业技术力量、地质专家开展应急调查和风险监测,划定危险区域范围,提出抢险救援措施建议;向市级行业主管部门提出需要紧急支援事项。 2.应急部门协调驻万部队参与抢险救援工作;请求市级应急救援队伍、物资装备支援,参与抢险救灾行动。 3.宣传部门配合市委宣传部做好救灾宣传报道、灾情和救援信息发布、新闻发布会召开等工作。 4.有关成员单位、有关单位及时向市级行业主管提出需要紧急支援事项,根据职能职责和现场指挥部部署,做好有关工作。 |
在三级应急响应措施的基础上还应采取以下响应措施: 市级现场指挥部成立后,移交指挥权,在市级统一指挥部署下,开展抢险救援工作。 | |
|
一级 |
1.因灾死亡(含失联)人数在30人以上。 2.因灾造成直接经济损失在1000万元以上。 |
区防减救灾委常务副主任组织应急、规资、气象等成员单位及有关乡镇(街道)紧急会商,经区防减救灾委主任批准,启动灾情(单点)一级应急响应。 |
在二级应急响应措施的基础上还应采取以下响应措施: 1.组织规资、应急及有关行业部门赶赴现场,成立灾情应对现场指挥部及工作组,由区防减救灾委主任或其指定人员任现场指挥部指挥长,组织指挥灾情抢险救援工作;市级现场指挥部成立后,移交指挥权,在国务院指导组和市级统一领导下开展抢险救援工作。 2.及时向市地指报告灾情和应急处置工作进展情况,在国务院指导组和市委、市政府统一领导下,部署开展应对处置工作。 |
在二级应急响应措施的基础上还应采取以下响应措施: 根据抢险救援需要,区规划自然资源局、区应急管理局、区公安局、区交通运输委、区卫生健康委、万州气象局、区消防救援局、武警重庆总队执勤三支队、中国安能重庆分公司应急救援基地万州分队等部门和单位联络员集中办公,负责联络协调、处理与本单位有关的工作,其他成员单位按要求进驻。 |
在二级应急响应措施的基础上还应采取以下响应措施: 市级现场指挥部成立后,移交指挥权,在国务院指导组及市级统一指挥部署下,开展抢险救援工作。 |
扫一扫在手机打开当前页面

